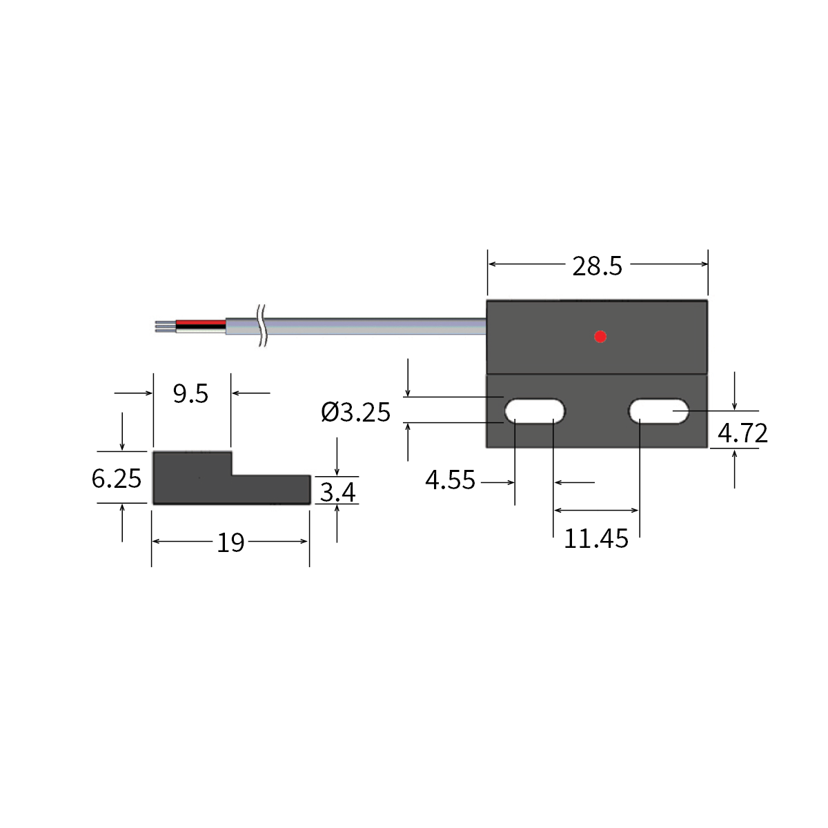
MH21 Series Micro-Power Hall Sensor



The MH21 series Hall effect sensors are engineered for precision and durability in demanding environments. Housed in a robust, flange-mounted rectangular casing with cable terminals, these sensors offer solid-state reliability and consistent performance across a wide temperature range.
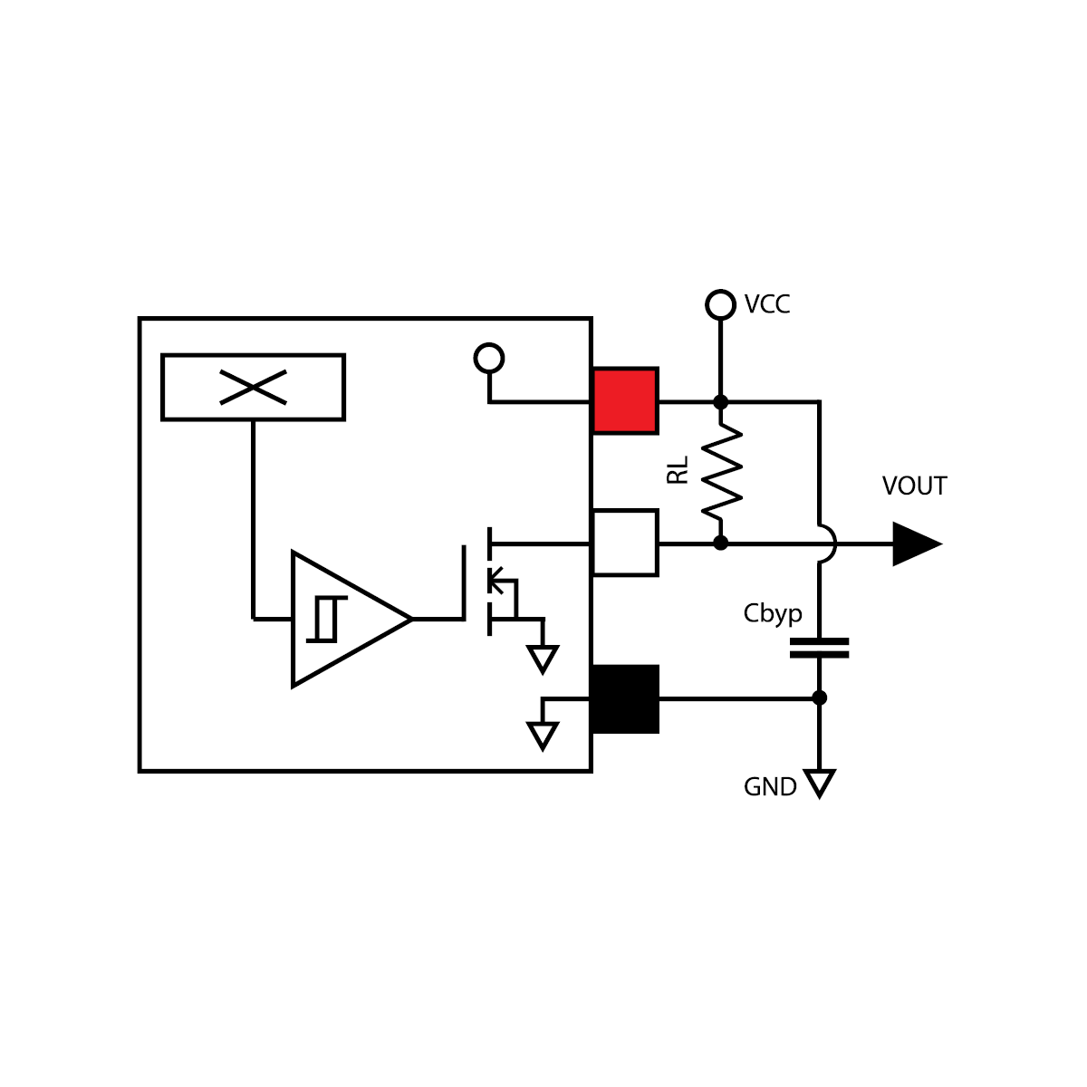
Design Notes:
- Add an external pull-up resistor (RL) between VCC and VOUT for sinking output.
- Use a bypass capacitor (CBYP) near the sensor to minimize external noise.
Standards and Certifications
- Multiple Output Options: Available in switch, latch, and micro-power configurations to suit diverse application needs.
- Low Power Consumption: Micro-power versions operate on just 5μA average current at 2.5–3.5V, significantly lower than the industry standard.
- High Temperature Resistance: Standard operating range from -40°C to +85°C, with higher temperature variants available.
- Stable Activation Points: Ensures consistent sensing performance even in fluctuating environmental conditions.
- Compact & Customizable: Ideal for space-constrained applications with flexible design options.
Function Type – S (Switch), L (Latch) | Standard (S) Switch Latch (L) Micro-power (Switch only) |
Sensing Range – Operate | Standard (S) Switch 95G Latch (L) 22G Micro-power 37G |
Sensing Range – Release | Standard (S) Switch 70G Latch (L) -23G Micro-power 31G |
Voltage Supply | Standard 3-24V, Micro-power 2.5-3.5V |
Current Supply | Standard 4mA, Micro-power 2mA |
Output Leakage Current Max. | Standard 10μA, Micro-power 1μA |
Output On Voltage Typ. | Standard 185mV, Micro-power 100mV |
Chopping Frequency Typ. | Standard 800kHz, Micro-power 340kHz |
Operating Temperature | -40 to 85C (Higher temp. versions available) |
- Speed sensing
- Surface mount designs
- Programmable and polarity-sensitive systems
- Industrial, automotive, and consumer electronics