530-70 Series Optocouplers



The 530-70 Series Optocouplers are high-isolation, solid-state devices designed for galvanic separation in intrinsically safe and high-voltage circuits. With a minimum isolation voltage of 22,000 VDC, insulation resistance up to 10¹² Ω, and a creepage/air path distance of 39 mm, these optocouplers meet the highest safety standards for hazardous environments.
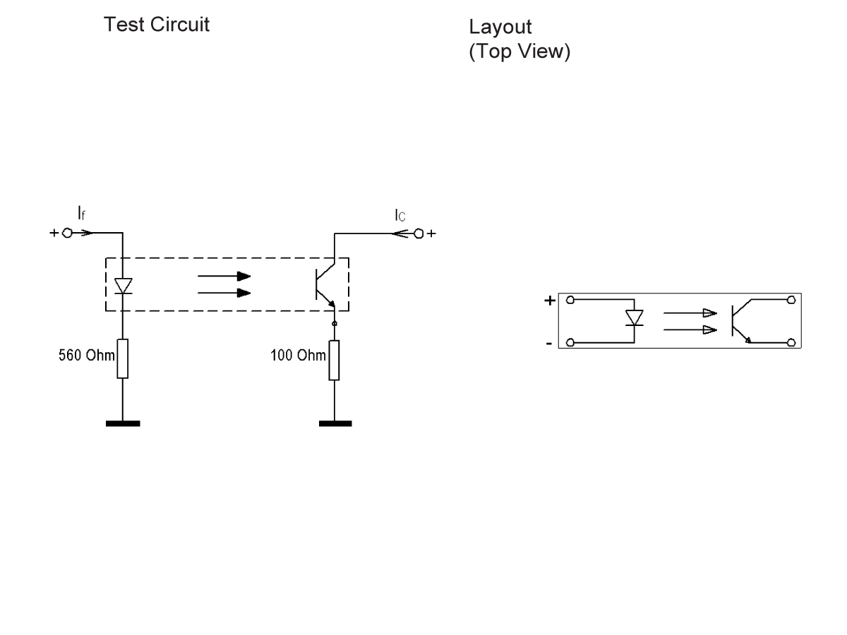
Supporting both analog and digital signal transmission, the 530-70 Series features fast switching times (5.5 µs on / 4.2 µs off), minimal coupling capacitance, and a photo-diode output for short cycle times. The non-mechanical design ensures long operational life and immunity to magnetic fields, making them ideal for applications where reliability and safety are critical.
These optocouplers are well-suited for use in flammable gas zones, medical systems, mining operations, and industrial automation requiring robust isolation and signal integrity.
Standards and Certifications
- Galvanic isolation up to 22,000 VDC between input and output
- High insulation resistance up to 10¹² Ω
- Supports analog and digital signal transmission
- Fast switching times (5.5 µs on / 4.2 µs off)
- Minimal coupling capacitance for clean signal separation
- Signal inversion capability for flexible control logic
- Non-mechanical switching for long operational life
- Immune to magnetic fields and environmental interference
- Extended creepage and air path distance of 39 mm for enhanced safety
- Cut-off frequency up to 100 kHz for responsive signal handling
Isolation Voltage Input/Output Min. (VDC) | 22,000 |
Current Transfer Ratio lc/lf (lf = 10mA) Min. | 0.8% |
Cut-Off Frequency | 100kHz |
Turn On/Off Time(µsec) | 5.5 / 4.2 |
Collector-Emitter Voltage (VDC) Max. | 32 |
Creeping Distance, Air Path I/O Min. (mm) | 39 |
Ambient Temperature °C | -40 to +85 |
- Oil & Gas: Signal isolation in control systems for flammable environments
- Mining Operations: Safe switching in explosive atmospheres
- Medical Equipment: ESD-resistant signal separation in sensitive devices
- Test & Measurement: High-speed signal transfer in precision instruments
- Automation Systems: Galvanic isolation in industrial control circuits
- Energy & Power Systems: Isolation in renewable and conventional energy systems
- Process Control: Safe signal routing in hazardous production environments