522 Series Optocouplers



The 522 Series Optocouplers are compact, high-isolation solid-state devices designed for galvanic separation in both intrinsically safe and general-purpose circuits. With a minimum isolation voltage of 4,000 VDC, these optocouplers ensure safe and reliable signal transmission between input and output circuits, even in environments with high electrical noise or potential ignition risks.
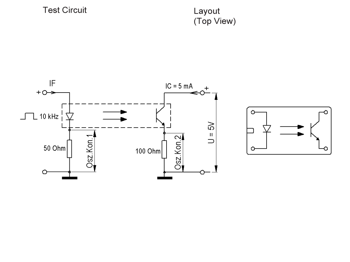
Certified to ATEX and IECEx standards, the 522 Series is suitable for use in hazardous locations. It supports both analog and digital signal transfer, with fast switching times (as low as 2.6 µs off-time) and minimal coupling capacitance. The series features a photo-diode output for short cycle times and can invert signals during transmission, offering flexibility for complex control systems.
Its compact footprint, high insulation resistance (up to 10¹² Ω), and rugged construction make it ideal for demanding industrial applications where reliability and safety are paramount.
Type of protection: II (1) G [Ex ia Ga] II C
In accordance with: EN 60079-0, EN 60079-11
Standards and Certifications
- ATEX & IECEx certified for use in hazardous environments
- Galvanic isolation up to 4,000 VDC between input and output
- Supports analog and digital signal transmission
- Fast switching times (typ. 5.5 µs on / 4.2 µs off)
- High insulation resistance up to 10¹² Ω
- Minimal coupling capacitance for clean signal separation
- Compact design with 12 mm creepage and air path distances
- Non-mechanical switching for long operational life
- Immune to magnetic fields and environmental interference
- Signal inversion capability for flexible logic control
Isolation Voltage Input/Output Min. (VDC) | 4000 |
Current Transfer Ratio lc/lf (lf = 10mA) Min. | 0.5 |
Turn On/Off Time(µsec) | 3.5/2.6 |
Collector-Emitter Voltage (VDC) Max. | 32 |
Creeping Distance, Air Path I/O Min. (mm) | 12 |
Ambient Temperature °C | -40 to 85 |
- Oil & Gas: Signal isolation in control systems for flammable environments
- Mining Operations: Safe switching in explosive atmospheres
- Medical Equipment: ESD-resistant signal separation in sensitive devices
- Test & Measurement: High-speed signal transfer in precision instruments
- Automation Systems: Galvanic isolation in industrial control circuits
- Energy & Power Systems: Isolation in renewable and conventional energy systems
- Process Control: Safe signal routing in hazardous production environments