535 Series Optocouplers



The 535 Series Optocouplers are high-isolation, solid-state devices designed for galvanic separation in intrinsically safe and high-reliability circuits. With a minimum isolation voltage of 4,000 VDC and insulation resistance up to 10¹³ Ω, these optocouplers ensure safe and stable signal transmission between input and output, even in hazardous or electrically noisy environments.
Certified to ATEX and IECEx standards, the 535 Series supports both analog and digital signal transfer with minimal coupling capacitance and fast switching performance. A built-in photo-diode output enables short cycle times and signal inversion capabilities, while the non-mechanical design ensures long operational life and immunity to magnetic fields.
With a creepage and air path distance of 14.5 mm, the 535 Series meets stringent safety requirements and is ideal for use in flammable gas zones, medical systems, and industrial automation.
Type of protection: II (1) G [Ex ia Ga] II C
In accordance with: EN 60079-0, EN 60079-11
Standards and Certifications
- ATEX & IECEx certified for use in explosive or hazardous environments
- Galvanic isolation up to 4,000 VDC between input and output
- High insulation resistance up to 10¹³ Ω
- Supports analog and digital signal transmission
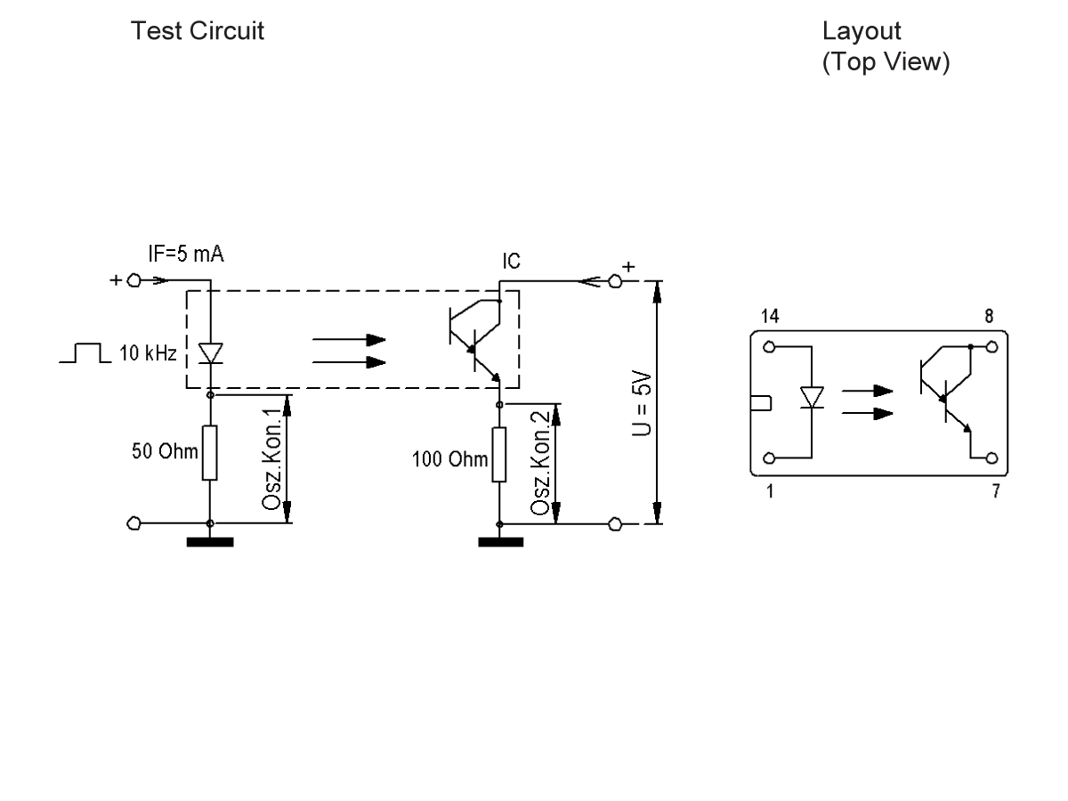
- Fast switching times (typ. 19.5 µs on / 212 µs off)
- Minimal coupling capacitance for clean signal separation
- Signal inversion capability for flexible control logic
- Non-mechanical switching for long operational life
- Immune to magnetic fields and environmental interference
- Creepage and air path distances of 14.5 mm for enhanced safety
Isolation Voltage Input/Output Min. (VDC) | 4000 |
Current Transfer Ratio lc/lf (lf = 10mA) Min. | 3 |
Turn On/Off Time(µsec) | 19.5/212 |
Collector-Emitter Voltage (VDC) Max. | 32 |
Creeping Distance, Air Path I/O Min. (mm) | 14.5 |
Ambient Temperature °C | -40 to 85 |
- Oil & Gas: Signal isolation in control systems for flammable environments
- Mining Operations: Safe switching in explosive atmospheres
- Medical Equipment: ESD-resistant signal separation in sensitive devices
- Test & Measurement: High-speed signal transfer in precision instruments
- Automation Systems: Galvanic isolation in industrial control circuits
- Energy & Power Systems: Isolation in renewable and conventional energy systems
- Process Control: Safe signal routing in hazardous production environments