521 Series Optocouplers
The 521 Series Optocouplers are high-isolation solid-state devices designed for galvanic separation in intrinsically safe and high-reliability circuits. With a minimum isolation voltage of 6,000 VDC and insulation resistance up to 10¹³ Ω, these optocouplers ensure safe and stable signal transmission between input and output, even in environments with flammable gases or high electrical noise.
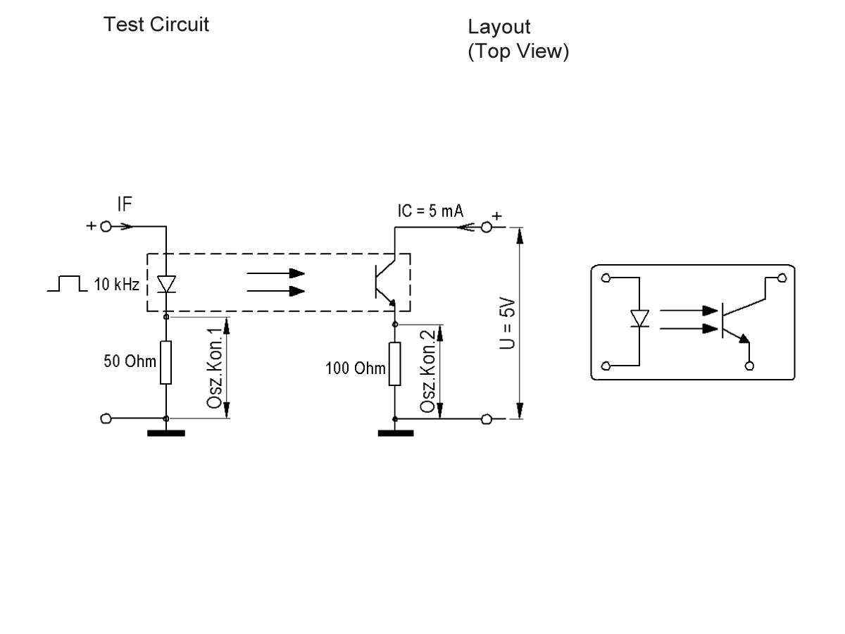
Supporting both analog and digital signal transmission, the 521 Series features fast switching times (5.5 µs on / 4.2 µs off), minimal coupling capacitance, and a photo-diode output for short cycle times. The non-mechanical design ensures long operational life and immunity to magnetic fields, while the extended creepage and air path distance of 24.5 mm meets stringent safety requirements.
These optocouplers are ideal for use in hazardous environments and industrial systems requiring high isolation and reliable performance.
Standards and Certifications
- Galvanic isolation up to 6,000 VDC between input and output
- High insulation resistance up to 10¹³ Ω
- Supports analog and digital signal transmission
- Fast switching times (5.5 µs on / 4.2 µs off)
- Minimal coupling capacitance for clean signal separation
- Signal inversion capability for flexible control logic
- Non-mechanical switching for long operational life
- Immune to magnetic fields and environmental interference
- Extended creepage and air path distance of 24.5 mm for enhanced safety
| Isolation Voltage Input/Output Min. (VDC) | 6000 |
| Current Transfer Ratio lc/lf (lf = 10mA) Min. | 0.5 |
| Turn On/Off Time(µsec) | 5.5/4.2 |
| Collector-Emitter Voltage (VDC) Max. | 70 |
| Creeping Distance, Air Path I/O Min. (mm) | 24.5 |
| Ambient Temperature °C | -40 to 85 |
- Oil & Gas: Signal isolation in control systems for flammable environments
- Mining Operations: Safe switching in explosive atmospheres
- Medical Equipment: ESD-resistant signal separation in sensitive devices
- Test & Measurement: High-speed signal transfer in precision instruments
- Automation Systems: Galvanic isolation in industrial control circuits
- Energy & Power Systems: Isolation in renewable and conventional energy systems
- Process Control: Safe signal routing in hazardous production environments
